PD-V10-G5 Miniaturazko X-banda Mikrouhin-hartzailea Mugimendu-detektagailuaren unitatea
Pdlux-ek Txinan duen fabrikan bertan egina, PD-V10-G5 Miniaturazko X-banda Mikrouhin Transceiver Mugimendu-detektagailuen fabrikatzaile eta hornitzaile ezaguna gara, ekoizpen-urrats guztiak arretaz kontrolatzen ditugu kalitatea eta prezio argiak bermatzeko, gure bezeroei irtenbide errentagarriak eskainiz.
Bidali kontsulta
Unitateak, metalezko lata batean kokatuta, erresonatzaile dielektrikoko osziladore egonkortua du, egonkorra eskaintzen duena tenperatura-tarte zabal batean funtzionatzea CW edo lan-ziklo baxuko pultsu moduan eta integratua homodyne hargailua sentsibilitatea eta fidagarritasuna hobetzeko.
Modulu familia hau +5v edo +3v hornidura-tentsioarekin dago eskuragarri.
Funtzionamenduaren oinarrizko printzipioa transmititutako eta jasotako seinale baten arteko maiztasun-aldaketa detektatzean datza
mugitzen den objektu batetik atzera islatzen da unitatearen ikus-eremuan.
Unitateak maila baxuko irteerako seinalea sortzen du, anplifikatu eta prozesatu daitekeen alarma entzungarri edo bisual bat emateko
seinalea eta kostu baxuko gainazaleko muntaketa fabrikatzeko teknikak erabiltzen ditu, eremuan frogatuta daudenak malkartsuak direla eta
fidagarria.
| zatia ZENB. | Herrialdea | Maiztasuna | Iruzkinak |
| PD-V10-501 | Erresuma Batua | 10,587 GHz (5 V) | |
| PD-V10-502 | AEB | 10,525 GHz (5 V) | FCC-ID |
| PD-V10-502 | Belgika, Holanda, Italia | 10,525 GHz (5 V) | RED Zuzentaraua betetzen du |
| PD-V10-301 | Erresuma Batua | 10,587 GHz (3 V) | |
| PD-V10-302 | Belgika, Holanda, Italia | 10,525 GHz (3 V) | RED Zuzentaraua betetzen du |
| Maiztasuna | Ikus goiko taula |
| Potentzia irteera (min.) | 5 dBm EIRP |
| Funtzionamendu-tentsioa | +5 V ± 0,25 V +3 V ± 0,15 V |
| Funtzionamendu-korrontea (CW) | 25 mA (gehienez) 20 mA (tipikoa) |
| Igorpen Harmonikoak | <-30dBm |
| Batez besteko korrontea (% 5 DC) | 1 mA tip. |
| Pultsu-zabalera (min.) | 5 µseg |
| Lan-zikloa (min) | %1 |
| Pultsuen errepikapen maiztasuna | 2-4 KHz |
| Sentikortasuna (10 dB S/N erlaziorako) | -84 dBm |
| Zarata (3Hz eta 80Hz arteko banda-zabaleran neurtuta) | < 30 µV |
| Irabazi | 5 dBi |
| -3 dB Beam-zabalera | |
| E Hegazkina | 50° |
| H Hegazkina | 60° |
| Pisua | 4 g |
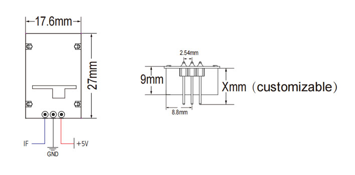
| Pin goiburuko konektoreak | 2,54 mm-ko tartea X3 |
| RoHS betetzen duena | |
| Potentzia/Temp. Koefizientea (funtzionamendu-tenperatura tartearen gainetik) | 3 dB |
| Maiztasuna/Temp. Koefizientea (funtzionamendu-tenperatura tartearen gainetik) | 6,5 MHz |
| Funtzionamendu-tenperatura | -20°C eta +70°C artean |
Sentsorearen irteeraren indarra (detekzio-barrutia) seinalearen eta zarataren erlazioaren araberakoa da. Funtzionamendu-tenperatura nominala baino handiagoa edo txikiagoa, sentsoreak ere funtziona dezake, baina errendimendua murriztu egingo da. Gailuak ez kaltetzeko, kontuz ibili behar da manipulatzean. Deskarga elektrostatiko egokia (ESD) biltegiratzeko, manipulatzeko, muntatzeko eta probatzeko fase guztietan neurriak hartu behar dira.











